
ACG SDK
DEVELOPMENT KIT FOR AUTOMATED CODE GENERATION
This Software Development Kit (SDK) allows programming imperix controllers directly from Simulink or PLECS.
It provides blocksets and automated code generation tools to achieve both simulation and device programming with just a few clicks.
With the ACG SDK, truly rapid prototyping is possible, hence accelerating the experimental validation of any sort of control algorithms.
You are here:

SDK content
VOLUME PRICING
When multiple licenses are related to the same customer, degressive pricing applies, according to the overall purchase history. The table below shows the proposed volume discounts:
Volume discounts
| 2nd | 41% | 6th | 57% |
| 3rd | 49% | 7th | 59% |
| 4th | 53% | 8th | 60% |
| 5th | 55% | 9th | 61% |
PRODUCTION LICENSES
All controllers can be flashed up to 20 times with this free-of-charge license. This authorizes firmware upgrades during the entire system lifetime in production environments.
LICENSING POLICY
R&D LICENSES
These licenses allow unlimited access to the controllers. All software licenses are:
- Target-locked (i.e. tied to the controller unit)
- Lifetime (no renewal fees, free software updates)
- Usable on an unlimited number of computers
In multi-controllers configurations (B-Box 4, B-Box RCP 3.0 or B-Board PRO only), only the master unit must be licensed. The master is the controller hosting the user-defined CPU program.
PRODUCTION LICENSES
All controllers can be flashed up to 20 times with these free-of-charge licenses. This authorizes firmware upgrades during the entire system lifetime in production environments.
CONTROL DEVELOPMENT WITHOUT CODE
Automatic programming
Modern power electronic simulation software – such as Matlab Simulink and Plexim PLECS – support the automated generation of run-time control code, directly from the simulation models. With a bit of extra automation, this code can be compiled and uploaded onto the real-time target too, resulting in the whole effort of programming a power converter controller being done in just one click!
This is exactly what imperix offers with the ACG-SDK: a convenient approach to control implementation, testing, and maintenance directly from within your usual computer simulation software.
Pre-tuning with computer simulations
What’s more, by integrating accurate subsystem models – such as ADC or PWM blocks – directly into the simulation, getting realistic simulations before code is generated is possible too! This allows pre-testing and pre-tuning the converter control algorithms off-line, hence leading to precious time savings when starting experimental activities. Besides, thanks to our monitoring software, it is still time to fine-tune all parameters during run-time.
Whatever is your preferred approach, the ACG SDK embeds models that accurately model system dynamics as well as its sampling, modulation, and other phase-sensitive aspects.
Address any application!
There are almost no limitations to what can be implemented using the ACG SDK. In practice, executable code can be generated for all sorts of inverters, drives and other converter topologies that can be simulated.
Typical applications include wind power, solar, energy storage, e-mobility, drives, distributed generation, energy transport, … whatever!
Upgrade existing projects!
The great flexibility of visual control development and code generation tools allows reusing almost any power converter control code from existing projects and adapting it for real-time execution.
The capability to generate run-time executables from existing files drastically reduced the time-to-market or time-to-publication.

CONTROL VALIDATION WORKFLOW
AUTOMATED CODE GENERATION AT THE SERVICE OF RAPID CONTROL PROTOTYPING

Use existing blocks
The libraries contain blocks for each hardware function. All you need is drag-&-drop them into your existing control file. You can also start from the examples available in our knowledge base.

Simulate offline
As each block accurately models the hardware peripheral, you can reliably anticipate the system behavior with offline simulation. Controller pre-tuning can hence be easily achieved.

Auto-generate code
Once simulations are completed, experimental activities can start. The ACG SDK fully automates the code generation process, so that clicking on the build button is the only required action.

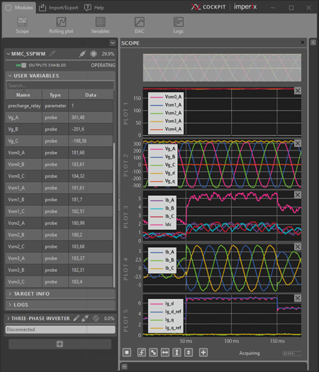
Capture results
During run-time, experimental results can be easily extracted. For that, Imperix Cockpit grants access to all measurement samples and internal variables, with easy export options.
Matlab Simulink
Simulink is probably the most common simulation software in power electronics. It is often further completed by additional blocksets, such as Simscape Power Systems or control-oriented toolboxes.
Plexim PLECS
PLECS is a powerful simulation software, which has gained popularity in the last decade. It distinguishes by a fast simulation speed as well as an easy integration of other physical domains, such as mechanics or magnetics.
GOING BEYOND SIMULATION
Thanks to the imperix automated code generation kits, a computer with Simulink/PLECS is virtually everything needed to turn any power stage into a fully and easily (re)programmable power converter. If the chosen controller hardware is the B-Box RCP, then everything is even hardware-protected.
Unified development environment
The ACG SDK allows you to work straight from your preferred simulation software. All sorts of power converter control algorithms can be developed visually, simulated, and then tested experimentally using the very same software.
What’s more, the transition between both types of activities is absolutely seamless. You can always go back-and-forth and work iteratively, learning from your finding in the lab.
You can start either from existing files or from one of the examples available in our knowledge base. All options are open! Indeed, run-time code can be generated for practically anything, from simple operators to PID controllers, S-functions or state machines.

Accurate simulations
The blocksets of the SDK are carefully designed to accurately model:
- Sampling instant(s)
- PWM phase-shifts
- Computation delays
As such, simulations truly represent what happens in real life. This guarantees the smoothest possible transition from your ideas to their validation with real power.


No coding skills
Automated code generation (ACG) makes prior experience with embedded control entirely dispensable. This enables you to move very quickly from the computer to the lab, saving time and efforts!
About the CPP SDK
Do you like coding and prefer to keep all options open? Our CPP SDK is made for that. Both kits can be used jointly.
TO GO FURTHER
The ACG SDK – coupled with Simulink or PLECS – is able to cover a broad range of applications, while boosting the productivity of research engineers. This also relies on the powerful capabilities of additional software and tools.
Imperix Cockpit

Cockpit is imperix’s real-time monitoring tool for B-Box and B-Board. This computer software allow viewing, editing and logging all control variables. Furthermore, Cockpit facilitates the configuration of the controllers.
- Real-time parameter tuning
- Data logging and visualization
To see how to extract impactful experimental results, get more insight on Cockpit.
FPGA programming

For the advanced cases when part of the control must be executed on FPGA, the firmware can be freely edited. Users only need to instantiate one imperix IP. Besides, all FPGA resources and I/Os can be accessed with complete freedom.
- Multi-rate control implementation
- Peripheral communication extension
To see how to extend the capabilities of imperix controllers, read more on FPGA programming.
Firmware technology

The acclaimed ease of use of imperix controllers is made possible by a dedicated firmware architecture. This also guarantees the portability of the user software as well as the advanced performance of the networking.
- Long-term code portability
- Transparent networking
To learn more about how the control hardware operates, see more details on our firmware.
BROWSE OUR SOFTWARE SOLUTIONS
To see what else is available, browse also among the detailed description of other programming workflows. Notably, both the ACG SDK and the CPP SDK allow modifying the FPGA firmware using Xilinx’s Vivado development suite.
Hover to find out more.
WANT TO KNOW MORE?
For all questions related to our software, feel free to get in touch with our technical team. We’re here to help! Online demos can also be organized upon request.
Alternatively, you can always download and install the software. As our licenses are hardware-related, our software is essentially unrestricted and all features can be tested free of charge.








